FMS(ZJM)   →   FMS(E)18
FMSE18-2-11A-R18-3EQ4Z-cs-3
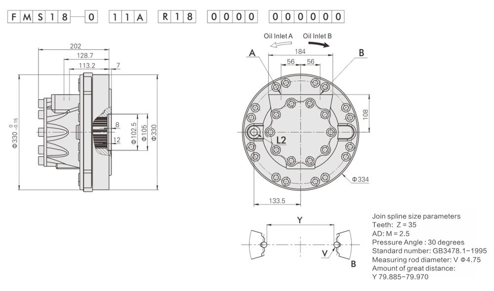
Model:
FMSE18

peculiarity
Plunger type low speed high torque motor, with two speed port, can achieve high and low speed switching. Meet the requirements of high speed walking when the wheel is not working, and provide large torque when working.。

Modular design concept

Compact and sturdy

Smooth running at low speed

Low noise

High efficiency

Sealed tapered roller bearings

Output Shaft can bear big radial force

Shaft seal withstands 5bar pressure

Optional parking brake (Disc brake]


Product Details

FMS series motor modular structure drawing

FMSE18-2-11A-R18-3EQ4Z-cs-3

Function symbol


FMSE18-2-11A-R18-3EQ4Z-cs-3

Rotate to tag

FMSE18-2-11A-R18-3EQ4Z-cs-3


C:Technical performance parameter module

FMSE18-2-11A-R18-3EQ4Z-cs-3

FMSE18-2-11A-R18-3EQ4Z-cs-3

D: Oil distribution (oil port) module

FMSE18-2-11A-R18-3EQ4Z-cs-3


FMSE18-2-11A-R18-3EQ4Z-cs-3

Hydraulic port connection table

FMSE18-2-11A-R18-3EQ4Z-cs-3

F: Brake module

FMSE18-2-11A-R18-3EQ4Z-cs-3

P: Mechanical output module

FMSE18-2-11A-R18-3EQ4Z-cs-3

Hub motor

FMSE18-2-11A-R18-3EQ4Z-cs-3

Bolt

FMSE18-2-11A-R18-3EQ4Z-cs-3

Shaft motor (flat key output)

FMSE18-2-11A-R18-3EQ4Z-cs-3

Shaft motor (spline output)

FMSE18-2-11A-R18-3EQ4Z-cs-3


S: Additional options


FMSE18-2-11A-R18-3EQ4Z-cs-3


FMSE18-2-11A-R18-3EQ4Z-cs-3

Radialloadx0.75No torque at the rear

FMSE18-2-11A-R18-3EQ4Z-cs-3FMSE18-2-11A-R18-3EQ4Z-cs-3

  FMSE18-2-11A-R18-3EQ4Z-cs-3

FMSE18-2-11A-R18-3EQ4Z-cs-3

FMSE18-2-11A-R18-3EQ4Z-cs-3

FMSE18-2-11A-R18-3EQ4Z-cs-3

FMSE18-2-11A-R18-3EQ4Z-cs-3

FMSE18-2-11A-R18-3EQ4Z-cs-3

FMSE18-2-11A-R18-3EQ4Z-cs-3

Standard Motor

FMSE18-2-11A-R18-3EQ4Z-cs-3

FMSE18-2-11A-R18-3EQ4Z-cs-3

Hydraulic block

FMSE18-2-11A-R18-3EQ4Z-cs-3

Load Curve

FMSE18-2-11A-R18-3EQ4Z-cs-3

Efficiency Curve


FMSE18-2-11A-R18-3EQ4Z-cs-3

For more details and parameters, please ask for the company brochure Tel: 0574-86303976

RETURN