
peculiarity
Plunger type low speed high torque motor, with two speed port, can achieve high and low speed switching. Meet the requirements of high speed walking when the wheel is not working, and provide large torque when working.。
Modular design concept
Compact and sturdy
Smooth running at low speed
Low noise
High efficiency
Sealed tapered roller bearings
Output Shaft can bear big radial force
Shaft seal withstands 5bar pressure
Optional parking brake (Disc brake]
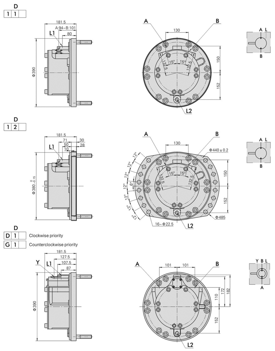
FMS series motor modular structure drawing

Function symbol

Rotate to tag

C:Technical performance parameter module


D: Oil distribution (oil port) module


Hydraulic port connection table

F: Brake module

P: Mechanical output module

Hub motor

Bolt

Shaft motor (flat key output)

Shaft motor (spline output)

S: Additional options


Radialloadx0.75No torque at the rear









Standard Motor


Hydraulic block

Load Curve

Efficiency Curve

For more details and parameters, please ask for the company brochure Tel: 0574-86303976