
Bokler ZJM series hydraulic motor has formed 8 series of more than 80 specifications, displacement range 172-10019ml/r, its technical performance and shape connection size with the French Poclain company's MS, MSE type hydraulic motor and German Rexroth company's MCR type hydraulic motor the same. Can be widely used in construction machinery, construction machinery, mining machinery, lifting and transportation equipment, heavy metallurgical machinery, geological drilling and other equipment, especially suitable for track, wheel driving mechanism drive and various winches, hydraulic rotary device.
ZJM series hydraulic motor organization schematic drawing
The ZJM series low-speed great-torque hydraulic motor is the internal curve multi-functional radial motor see the following chart

1、Machinery output module 2、Hydraulic pressure function module 3、Exiles to far away place the module 4、Brake module
F、Radial load datum
The ZJM series of hydraulic motors have modular structure based on the above four parts and can be combined according to
requirements of users or system
Application:
ZJM motors have been developed into 8 series and over 80 types, with a displacement range of 172-10019ml /r. it can beapplied extensively in equipments such as engineering machinery, construction machinery, conveyers machinery, metallurgymachinery, shipping machinery, heavy metallurgy machinery, geological exploration,especially in the driving of caterpillartread and wheel mechanism as well as the hosting of winches and reels.
Symbols applied
Freewheeling operating mode: o lona as to iniect 2bar pressure oil into the oil mouth to make the work plunger retract
into the vivo,the freewheeing condition is realized.
The highest rotary speed is less than 350 rDm.

Selects the principle
1. The motor's long-term work pressure is lower than rated presure
2 The motor's actual output power is smaller than its maxim power signed on the sample
3.To make the motor work reliably for a long term,it is best to select the motor's working conditon at the highly effeclivearea(see sample characteristic charts) Pay attention that the motor's starting efficiency ratio is lower than eficiency inthe fixed mode
4.The motor displacement should be the 0 group if possible
Installation requirements
1.The hydraulic motor can be installed at will. The plank should have enough rigidity. During installation, make sure that the
driving shaft and the output axis are concentric.
2.Oil mouth: the oil mouth should be returned into the fuel tank independently and directly. In ordinary circumstances themaxim pressure borne by the shell is 0.05Mpa. If the use has other requirements for freewheeling working condition,please consult us and place special orders.
3.Before the hydraulic motor stats for the first time. we should fill up the shell with hydraulic oil to avoid destroying the motor.Meanwhile, the outlet pipe's highest horizontal position is higher than the shel's highest horizontal position, so that the oilinside the motor will not be emptied.
Main features of the ZJM radial high pressure and high torque hydraulic motors:
1.Modular design
The whole structure is a modular design and composed of three parts, which are: mechanical output devise set,hydraulic function set and mechanical brake set, Therefore, it is convenient to connect the molor to otherequipments in a optimized way.
2. High efficiency
The motor uses multi functional plane distribution technology, which is less sensitive to both pressure and temperatureautomatically compensating the friction, so as to ensure high volume eficiency, Meanwhile, rollers and plungers areapplied to simplify force, decrease friction and enhance efficiency.
3. High working pressure, low speed, enabling working under free wheel
The maxim pressure can reach 40 Mpa, For the intertia of force is small the plunger is sealed with rings, starting
efficiency is high and the low-speed function is good.
4. Bearable axial and radial load
independent mechanical output device is applied. The diameter size of the bearing and output axis are both bigThe force balance of the hydraulic function device is output by pore torque so the motor can bear large axis and radialload forces and output through gears or allocated on driving wheels.
5.With mechanical brake
Modular structure design is applied so that it is easy to add mechanical brakes to realize direct safety brake and stop
brake of the output axis
Type description

ZJM(E) type technical data

NOTE:
1. The above given data refer to the motor which has been continuously running for 100 hours;
2. Before starting, fulfill the motors with hydraulic oil firstly. The starting speed should notexceed 60% of the rated speed
3.Recommendation:the oil drain pressure is better to be pmin=5-10 bar
4. One model , different output type or with a brake are all the same technical data.
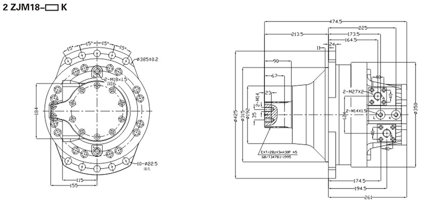
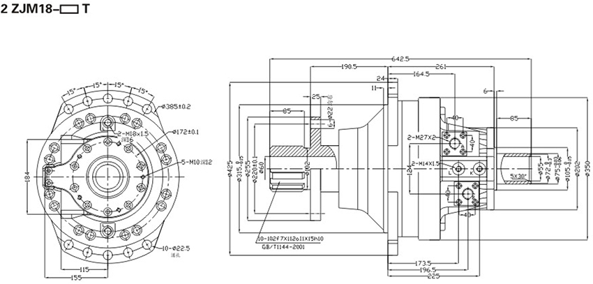
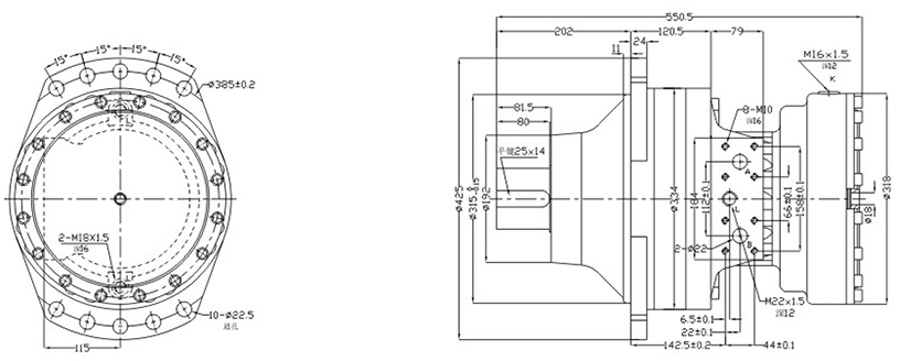
ZJM18 mounting data
1、Wheel-type output(W type)
.jpg)
2、Involute spline shaft output (K type)



3、Trough-type output (with a through-hole inside)


4、Replacement QJM motor

5、1ZJM18-0 Motor with brake

NOTE:
1、Start pressure of the brake motor is about 2-3.5Mpa;
2、Technical data of the brake motor refer to the motor;
3、Brake torque no less than 7000N.m
6、Other type of output shaft

1ZJM18-0 Motor characteristic charts

For more details and parameters, please ask for the company brochure Tel: 0574-86303976