QJM   →   QJM21
QJM21-*Z3,Ze3
Model:
QJM series drive motor

Bokler QJM series drive motor models are complete with a displacement range of 0.063-10 (L/rev). It has been widely used in construction machinery, lifting and transportation, engineering machinery, metallurgical heavy industry, petroleum exploration, coal mining machinery, light industry injection molding, geological exploration and other fields.

Product Details

Type description

QJM21-*Z3,Ze3

Model description example

Model Example:

2FS QJM21-0.63 SZ Variable displacement radial spherical piston motor with dual speeds, 

manual controlwith spool valve, series number21 ,displacement 0.63 I/r, motor with brake and bearing.


Flow rate of QJM motors(=rated speed X displacement)

QJM21-*Z3,Ze3

Technical data of 1QJM一一series fixed displacement hydraulic motor

QJM21-*Z3,Ze3

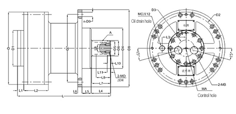
Appearance connection size

QJM21-*Z3,Ze3


QJM21-*Z3,Ze3


For more details and parameters, please ask for the company brochure Tel: 0574-86303976



RETURN