
Bokler QJM series drive motor models are complete with a displacement range of 0.063-10 (L/rev). It has been widely used in construction machinery, lifting and transportation, engineering machinery, metallurgical heavy industry, petroleum exploration, coal mining machinery, light industry injection molding, geological exploration and other fields.
Type description

Model description example
Model Example:
2FS QJM21-0.63 SZ Variable displacement radial spherical piston motor with dual speeds,
manual controlwith spool valve, series number21 ,displacement 0.63 I/r, motor with brake and bearing.
Flow rate of QJM motors(=rated speed X displacement)

QJM※※ -- ※※Z(Z3、Ze3)type hydraulic motor technical parameters

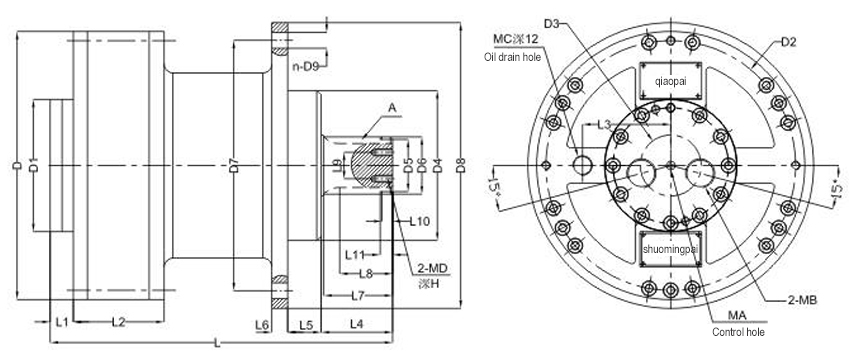
Appearance connection size


For more details and parameters, please ask for the company brochure Tel: 0574-86303976