
MAIN CHARACTERISTICS
1.All XQM advanced model hydraulic motors,low noise due to the design consisting of an eccentric crankshaft and lowliberationfrequency five-pistons.;
2、All XQM advanced model hydraulic motors dessess piston shoe surface of especial heat treatment, Thisexcellentcoatingenhances smoothness o piston shoes surace, and minimizes substantially the riction between contact surtacesof pistonand crankshaft. high starting torque, stable run very low speed.;
3.The oil-distributor has been improved for perfact balance of all moving parts andthis leadstograter volumetriceficiencyQuiet operation and high reliability.
4.The main parts are processed by CNC machines imported form japan and numerical control lathes, All seals andhigh-intensity interior turret screw are imported form GERMANY, ,USA and TAlWAN, the ap。
5.Large-sized conical crankshaft bearing used for extraordinally long service lifetime.
Model Number Information

INTALLATION & APPLIATION
1.Recommend filtrate precision for normal industrial purpose is 25um
2.The normal rang of oil stickness for good working is between 15-1000cst.
3.ln preventing the oil leaking the drain tube should be on a horizontal position above the motor .
4.Fullfill the motor body with hydraulic oil before first start.
5.The drain port should be connected independently to tank. Max. pressure for the motorbody is 0.1MPa.
6.Motor can be installed at any position with rigiditic support, shafts of the motor and its transmission should beconcentric,keep oil port clean,do not let any solid odjects into it.
7.Release the radial duty of the shaft ,prolong the life expectancy of the motor.
Technical Specification

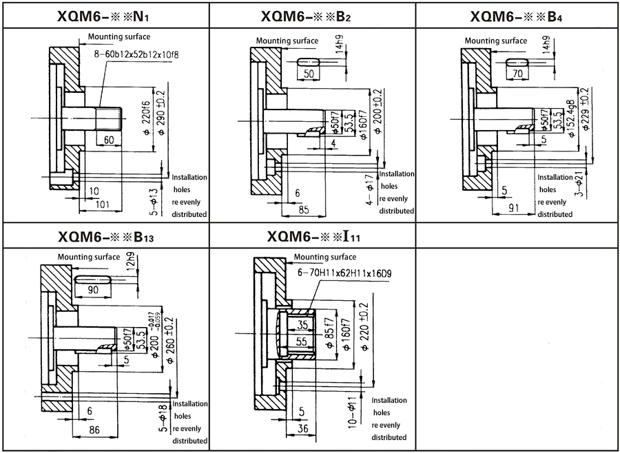
XQM6-400~900 mounting connection dimensions



XQM6-500 performance diagram

● Distributor

D31
Distributor with 3/4” ports for
XQM1,XQM2,,XQM3,XQM6 series motors
D310
As D31, with1 ports
For more details and parameters, please ask for the company brochure Tel: 0574-86303976
Product application
