
Product synopsis
HZ series hydraulic rotary device by ZJM radial piston hydraulic motor,the planet reduction gear, the piece type brakeand each kind of funclion is composed. lt has the superior profit The low-speed stability characteristic.he trans missiorfliciency high,the low noisethe efficiency is good and so on the characleristic. Thus widely uses in the architecturaengineering.therailroad, the road,the road, the ships, the petroleum, the coal mine, The metalluegy and so on eachkind needs to rotate inorganization.OrderingInformation

Model description example
HZS05-3000-m3i3.15P indicates that the hydraulic rotary device has a disc brake, the ZJM05 motor is selected, the rated output torque is 3000N.M, and the single stage is adopted
Planetary reducer drive, gearbox module is 3, transmission ratio 3.15, output shaft is flat key.
Parameter description
The total displacement is the hydraulic motor displacement multiplied by the planetary reducer transmission ratio.
Matters needing attention
1st,hydraulic liquid:The suggestion uses high grade anti-rubs,guards against the froth, the anti-oxidized ore basehvdraulic liauid theideal works the oil temperature is 10C-50C,the permissibletemperature is-20'C-80C. In fat liquorviscosity 15-1,000thousandths of a Yuan scopes internal energy guaranteesatisfactorywork
2nd,filters:hydraulic liquid filters the precision recommendation is 25 um, or high filters the precision.
3nd,drainage pipe localization: The HZ hydraulic pressure turninggear allows any direction installment, the drainagepipe to besupposed alone to put through with the fuel tank. In order toguarantee motor interiorvarious movements vice-RunSlipperv.reauests to fil before thework the motor interior hvdraulic liauid. releases the oil mouth position the choiceto have toguarantee in the revolution the motor interior fils hydraulic liquid
Main technical parameters

Standard brakeless model


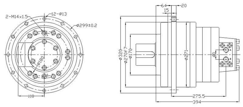
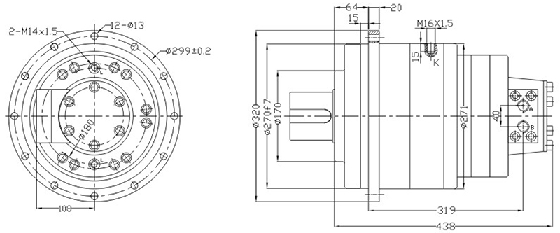
Standard model with brake


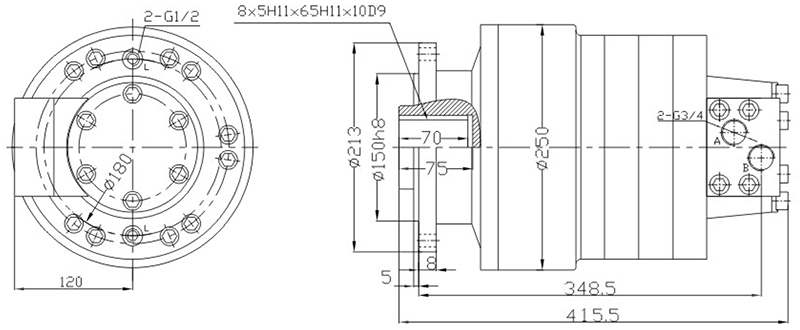
Output shaft size

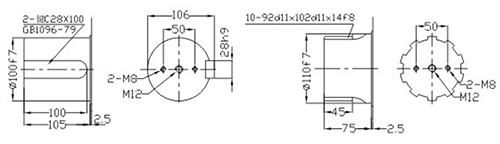
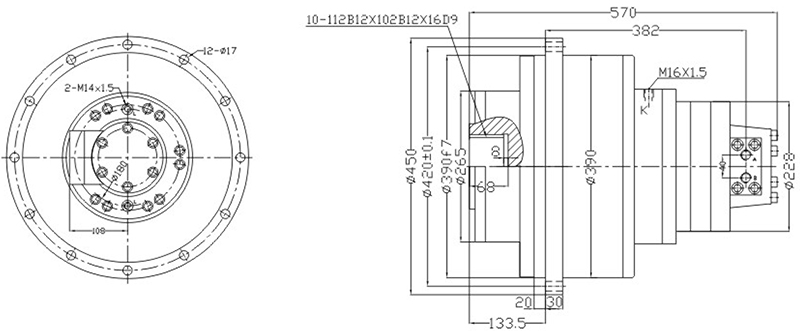
Wheeled output




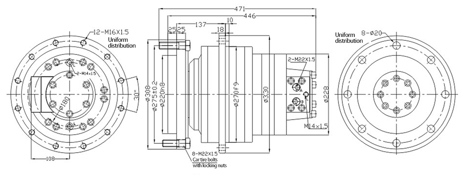
Other models have no brakes


Other models have brakes


Note: The dimensions of the external connection and the output shaft have special requirements, please contact us
For more details and parameters, please ask for the company brochure Tel: 0574-86303976
Product application
