HF (HZ)   →   HD400
Rotary motor
Model:
HZ18

Product synopsis

HZ series hydraulic rotary device by ZJM radial piston hydraulic motor,the planet reduction gear, the piece type brakeand each kind of funclion is composed. lt has the superior profit The low-speed stability characteristic.he trans missiorfliciency high,the low noisethe efficiency is good and so on the characleristic. Thus widely uses in the architecturaengineering.therailroad, the road,the road, the ships, the petroleum, the coal mine, The metalluegy and so on eachkind needs to rotate inorganization.
Product Details

OrderingInformation

Rotary motor


Model description example


HZS05-3000-m3i3.15P indicates that the hydraulic rotary device has a disc brake, the ZJM05 motor is selected, the rated output torque is 3000N.M, and the single stage is adopted

Planetary reducer drive, gearbox module is 3, transmission ratio 3.15, output shaft is flat key.


Parameter description

The total displacement is the hydraulic motor displacement multiplied by the planetary reducer transmission ratio.


Matters needing attention

1st,hydraulic liquid:The suggestion uses high grade anti-rubs,guards against the froth, the anti-oxidized ore basehvdraulic liauid theideal works the oil temperature is 10C-50C,the permissibletemperature is-20'C-80C. In fat liquorviscosity 15-1,000thousandths of a Yuan scopes internal energy guaranteesatisfactorywork


2nd,filters:hydraulic liquid filters the precision recommendation is 25 um, or high filters the precision.


3nd,drainage pipe localization: The HZ hydraulic pressure turninggear allows any direction installment, the drainagepipe to besupposed alone to put through with the fuel tank. In order toguarantee motor interiorvarious movements vice-RunSlipperv.reauests to fil before thework the motor interior hvdraulic liauid. releases the oil mouth position the choiceto have toguarantee in the revolution the motor interior fils hydraulic liquid


Main technical parameters


Rotary motor


Rotary motor


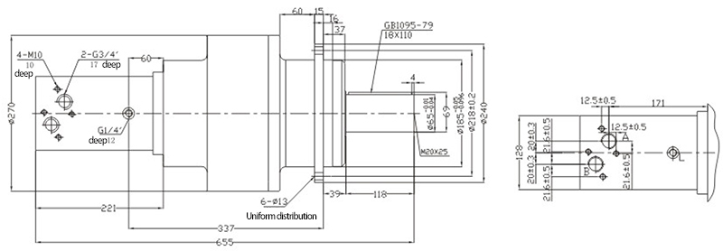
Note: The dimensions of the external connection and the output shaft have special requirements, please contact us

For more details and parameters, please ask for the company brochure Tel: 0574-86303976


Product application

Rotary motor


RETURN