
Features
◎Compact in design with spool valving and Geroler:。Specification Data

Shaft Side Load Capacity
◎ Max. pressure is the allowed pressure at the inlet port.
◎ A simultaneous maximum RPM and maximum pressure NOT recommended
Maximum pressure or maximum RPM operation: 10% of every minute.
◎ Recommended fluids: Anti-wear type of hydraulic oil. Viscosity recommended 37-
73 cSt. Recommended filtration ISO18/13.
◎ Maximum operating temperature recommended 80℃.
◎ Special high pressure capacity shaft seal ensures back pressure up to 10 Mpa.
Recommended preferable back pressure 5 Mpa. Case drain line is recommended
when back pressure higher than 5 Mpa.. The motor life is benefited from a case
drain line.
◎ It is highly recommended that the motor runs at 30% of rated pressure for at least
one hour before application of full load. Be sure the motor is filled with fluid prior to
any load applications.
BMP motor performance parameters



Note:
Performance data is typical with N68 anti-wear
hydraulic oil at 50℃ temperature. Actual data may vary
slightly from unit to unit in production.
Motors can run with high officiercy in all areas
designated with a nuber for torque and speed, however
for best motor life select a motor to run with a torque and
speed in the continous area.
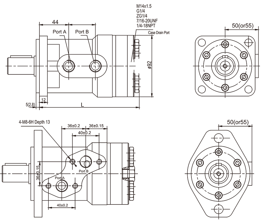
BMP Dimensions


Standard Direction of The Motor Rotation:
CW——When A Port pressurized, Viewed From the Shaft End.
BMP Mounting Flange

BMP connection dimension -- output shaft

BMP connection dimensions ---- oil port

BMP Ordering Information

For more details and parameters, please ask for the company brochure Tel: 0574-86303976
Product application
