
Features
Compact in design with disc valving and Geroler.
Its characteristic:
Features
Compact in design with disc valving and Geroler.
Its characteristic:
Specification Data

◎ Max. pressure is the allowed pressure at the inlet port.
◎ A simultaneous maximum RPM and maximum pressure NOT recommended
Maximum pressure or maximum RPM operation: 10% of every minute.
◎ Recommended fluids: Anti-wear type of hydraulic oil. Viscosity recommended 37-
73 cSt. Recommended filtration ISO18/13.
◎ Maximum operating temperature recommended 80℃.
◎ Special high pressure capacity shaft seal ensures back pressure up to 10 Mpa.
Recommended preferable back pressure 5 Mpa. Case drain line is recommended
when back pressure higher than 5 Mpa.. The motor life is benefited from a case
drain line.
◎ It is highly recommended that the motor runs at 30% of rated pressure for at least
one hour before application of full load. Be sure the motor is filled with fluid prior to
any load applications.
BMT Performance Data





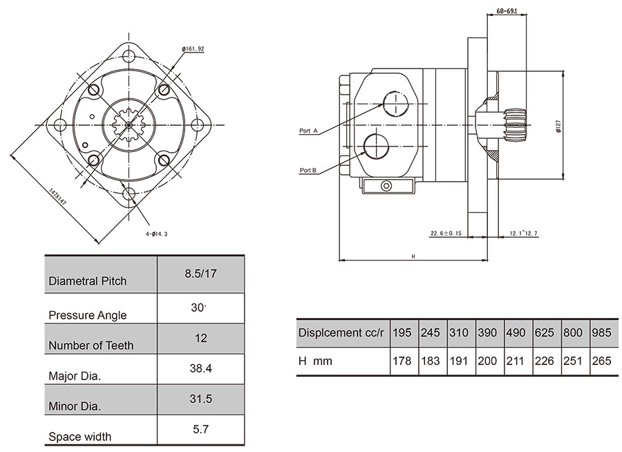
BMT Bearingless motors - Connection dimensions

For more details and parameters, please ask for the company brochure Tel: 0574-86303976
Product application
