Product   →   Motor
Hydraulic differential
Model:
530
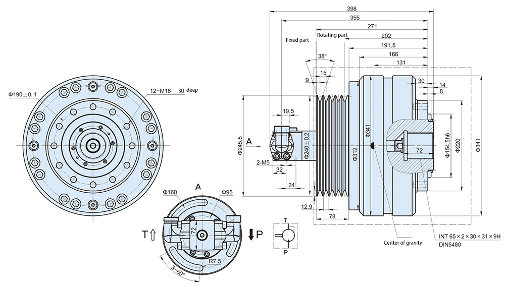
In recent years, our company in the absorption of MS, MSE type hydraulic motor and type hydraulic motor technology and in the already have independent core intellectual property rights of FMS motor, developed a special for horizontal centrifuge differential motor. The motor can be in the case of the maximum speed of 5000rpm shell, the minimum stable speed of the differential motor 0~50rpm, fully meet the requirements of centrifuge filtration and impurity removal. Since the motor structure adopts roller force transmission and plane flow distribution structure, High volumetric efficiency and working pressure, smooth operation, good reliability, long life. It has been used by many domestic centrifuge plants and research institutes, and the reaction is good.
Product Details

Hydraulic differential performance parameter table

Hydraulic differential


Hydraulic differential


RETURN