
ZJC series hydraulic winch is composed of ZJM type hydraulic motor, built-in brake, planetary reducer, drum, frame, etc., with modular design. The hydraulic function valve block composed of one-way or two-way balance valve and high pressure shuttle valve can be configured (the specific design diagram can be based on the working condition), and the user only needs to configure the pump station and the reversing valve. This not only simplifies the design of working parts, but also has small volume and good stability. It solves the phenomenon of empty hook jitter and secondary drop during lifting of hydraulic winch, and improves the working efficiency. At present, it has been widely used in construction engineering, lifting and transportation, road clearing, ship setting sail, working drilling RIGS, military products and other fields.
In addition, the hydraulic winch can also be composed of QJM type hydraulic motor or cycloidal motor, built-in brake, planetary reducer, drum, frame, etc. We can also supply electric winches.
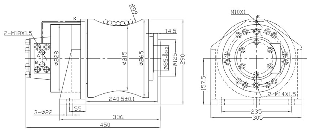
Due to the different rope capacity of each user, the diameter of the wire rope, etc., resulting in more varieties of hydraulic winch appearance specifications, therefore, we only give an example of one of them, and the other is not an example. We can design separately for users according to the technical parameters and shape requirements provided by users, and users can also consult our technical personnel to select the type for customers.

ZJC hydraulic winch
Model: ZJC05/2-5t-m3i3.9-FPS

For more details and parameters, please ask for the company brochure Tel: 0574-86303976
Product application
